波紋電阻器
型號:AC-RXHGAC-RXHG波紋制動(剎車)電阻器系列在圓柱形的瓷管上固定兩個引出的端子,陶瓷管表面上均勻的纏繞了扁帶波浪狀合金電阻絲,在其表面涂覆一層具有阻燃、散熱透氣性好、抗老化、耐高溫特性的絕緣涂層,并配有安裝支架,具有功率大,耐過載能力強,安裝方便等特點。陶瓷管作為電阻絲骨架的同時,又具有散熱器的功效,用于模擬負荷實驗、設備放電、電動控制、自動控制、變頻器能耗制動等。
產品介紹
產品識別碼:
例如:AC-RXHG2500W40RJ
(公司代碼:AC為公司簡稱,RXHG為產品類別,2500W為產品功率,40R為產品阻值,J為阻值誤差。)
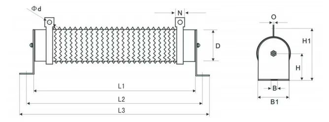
產品外觀圖:

產品尺寸表:
備注:下表中為常規尺寸,另有多種尺寸可選;阻值范圍:0.5Ω~30KΩ可選。
| 產品型號 | L1(±2)mm | L2(±5)mm | L3(±3)mm | D(±2)mm | B(mm) | B1(mm) | H(mm) | H1(±3)mm | N(mm) | Φd(mm) | O(mm) |
| AC-RXHG50W | 91 | 113 | 131 | 28 | 5 | 26 | 28 | 62 | 6 | 2.2 | 1.2 |
| AC-RXHG80W | 140 | 162 | 180 | 28 | 5 | 26 | 28 | 62 | 8 | 3.2 | 1.2 |
| AC-RXHG100W | 170 | 192 | 210 | 28 | 5 | 26 | 28 | 62 | 8 | 3.2 | 1.2 |
| AC-RXHG150W | 215 | 237 | 255 | 28 | 5 | 26 | 28 | 62 | 8 | 3.2 | 1.2 |
| AC-RXHG200W | 267 | 289 | 307 | 28 | 5 | 26 | 28 | 82 | 8 | 3.2 | 2.1 |
| AC-RXHG300W | 267 | 289 | 311 | 40 | 6.5 | 40 | 40 | 82 | 12 | 4.5 | 2.1 |
| AC-RXHG400W | 300 | 325 | 345 | 40 | 6.5 | 40 | 40 | 82 | 12 | 4.5 | 2.1 |
| AC-RXHG500W | 316 | 338 | 360 | 50 | 8 | 50 | 45 | 101 | 16 | 6 | 2.1 |
| AC-RXHG600W | 300 | 325 | 350 | 55 | 6.5 | 55 | 50 | 101 | 12 | 4.5 | 2.1 |
| AC-RXHG800W | 300 | 325 | 350 | 55 | 6.5 | 55 | 50 | 101 | 12 | 4.5 | 2.1 |
| AC-RXHG1000W | 300 | 325 | 350 | 60 | 8.5 | 58 | 60 | 119 | 15 | 6.5 | 2.1 |
| AC-RXHG1200W | 415 | 440 | 465 | 60 | 8.5 | 58 | 60 | 119 | 15 | 6.5 | 2.1 |
| AC-RXHG1500W | 415 | 440 | 465 | 60 | 8.5 | 58 | 60 | 119 | 15 | 6.5 | 2.1 |
| AC-RXHG2000W | 510 | 538 | 560 | 60 | 8.5 | 58 | 60 | 119 | 15 | 6.5 | 2.1 |
| AC-RXHG2500W | 600 | 628 | 650 | 60 | 8.5 | 58 | 60 | 119 | 15 | 6.5 | 2.1 |
| AC-RXHG3000W | 600 | 638 | 660 | 70 | 8.5 | 68 | 70 | 140 | 15 | 6.5 | 2.1 |
| AC-RXHG4000W | 600 | 638 | 665 | 80 | 8.5 | 78 | 80 | 150 | 15 | 6.5 | 2.1 |
| AC-RXHG5000W | 600 | 638 | 665 | 100 | 10 | 98 | 100 | 165 | 15 | 6.5 | 2.1 |
| AC-RXHG8000W | 600 | 638 | 670 | 130 | 10 | 128 | 130 | 205 | 20 | 6.5 | 2.1 |
| AC-RXHG10KW | 600 | 638 | 670 | 130 | 10 | 128 | 130 | 205 | 20 | 6.5 | 2.1 |


