EMI單相電源濾波器
型號:AC-CFI1C1、適用于開關電源不間斷電源以及工業自動化控制。 2、高插入損耗,可用來防止瞬間脈沖干擾和連續或間斷的其它干擾。 3、產品性能可靠,用于各種工業場合。 4、廣泛用于印刷電路板上的電磁干擾控制。 5、體積小,安裝方便。 6、另有多種尺寸可供選擇。
產品介紹
產品識別碼:
例如:AC-CFI1C010
(公司代碼:AC為公司簡稱,CFI為產品類別,1為電源相數單相,010為額定電流10A。)
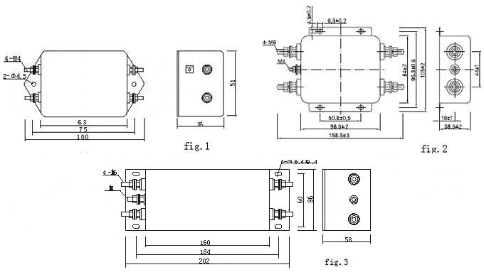
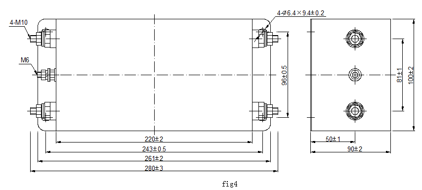
產品尺寸表:
| 產品型號 | 額定電流 | 額定電壓 | 產品外觀圖 | 泄露電流 | 尺寸/Size(unit:mm) | 端子 | |||||
| 長 | 寬 | 高 | 孔距長 | 孔距寬 | 安裝孔 | ||||||
| AC-CFI1C005 | 5A | 125/250V | fig.1 | 0.5Max | 100 | 51 | 36 | 75 | -- | 2-Φ4.5 | M4 |
| AC-CFI1C006 | 6A | 125/250V | fig.1 | 0.5Max | 100 | 51 | 36 | 75 | -- | 2-Φ4.5 | M4 |
| AC-CFI1C010 | 10A | 125/250V | fig.1 | 0.5Max | 100 | 51 | 36 | 75 | -- | 2-Φ4.5 | M4 |
| AC-CFI1C020 | 20A | 125/250V | fig.1 | 0.5Max | 100 | 51 | 36 | 75 | -- | 2-Φ4.5 | M4 |
| AC-CFI1C030 | 30A | 125/250V | fig.2 | 0.8Max | 139 | 107 | 43 | 51 | 95 | 4-Φ6.5 | M4 |
| AC-CFI1C050 | 50A | 125/250V | fig.2 | 0.8Max | 139 | 107 | 43 | 51 | 95 | 4-Φ6.5 | M6 |
| AC-CFI1C080 | 80A | 125/250V | fig.3 | 1.53Max | 220 | 86 | 58 | 184 | 60 | 4-Φ6.4*9.4 | M8 |
| AC-CFI1C100 | 100A | 125/250V | fig.4 | 1.53Max | 280 | 100 | 90 | 243 | 70 | 4-Φ6.4*9.4 | M8 |
| AC-CFI1C150 | 150A | 125/250V | fig.4 | 1.53Max | 280 | 100 | 90 | 243 | 70 | 4-Φ6.4*9.4 | M10 |
| AC-CFI1C200 | 200A | 125/250V | fig.4 | 1.53Max | 280 | 100 | 90 | 243 | 70 | 4-Φ6.4*9.4 | M10 |
產品外觀圖:





